 |
|
 |
|
 |
|
生産終了(予定)時期2008年11月 |
| |
|
|
|
|
|
| POINT |
・送信チャンネル(周波数)は3チャンネルの切り換えができます。 ・1チャンネルあたり、1〜64号機の設定が可能です。 ・1台の送信機から4種類の情報を発信できます。 ・通信範囲は屋内半径約100mです。 ・間欠送信時間は最大16分です。 |
|
|
| |


|

|
| |

 |
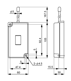
【外観寸法図・取付図・結線図(PDF)】 MCT-201_1.pdf 0.3 M |
|
 |
【取扱説明書】 ※掲載の取扱説明書は最新の内容です(2007年1月25日現在)。仕様変更等により、お手持ちの商品と記載内容が異なる場合がありますのでご了承ください。 MCT-201_2.pdf 1.3 M |
 |
 |
 |
【外観寸法図(DXF)】 ※右クリックでダウンロードしてください。 MCT-201_3.dxf 0.4 M |
 |
 |
 |
|
|
| |
|
|
| |
| 【仕様表】 |
| 型式 | MCT-201 |
| 電源電圧 | DC24V (DC19〜29V) |
| 消費電流 | 80mA(待機時) / 最大200mA |
| 送信周波数 | 429MHz帯 (ch1:429.7750MHz、ch2:429.7875MHz、ch3:429.8000MHz) |
| 電波形式 | F1B方式 |
| 変調方式 | FM変調方式 |
| 送信出力 | 特定小電力10mW |
| チャンネル設定機能 | 送信周波数の切り替えで3チャンネルの設定が可能。 (ディップスイッチによる切り替え方式) |
| 接続可能台数 | 最大64台/ch (ディップスイッチによる切り替え方式) |
| 詳細情報識別信号数 | 個別詳細情報 4情報/台 |
| 入力情報信号形態 | 無電圧接点または、NPNオープンコレクタ接続 |
| 電源及び信号線 | コネクタ付き接続ケーブル2m |
| 使用温度範囲 | -10℃〜50℃ |
| 使用湿度範囲 | 45%〜85%RH(結露なきこと) |
| 材質 | ABS樹脂 |
| 色調 | 黒艶消し |
| 製品質量 | 110g(ケーブル含まず) |
| 価格 | \51,800- |
| 付属品 | コネクタ付き接続ケーブル、送信機番号表示シール、 取付ネジ(4×25タッピングネジ2本) |
|
|
| |

|
| |