 |
|
 |
|
 |
|
生産終了(予定)時期2015年1月 |
| |
|
|
| 盤内蔵PZT電子音警報器 |
| 電子音警報器ノンスピーカ警報器 |
| 制御盤全体がスピーカに!! |
|
|
|
|

|
マグネット取付・アラーム・シングルタイプ
|
|
| ST-41F |
|
両面テープ取付・アラーム・シングルタイプ
|
|
| ST-41FW |
|
|
|
| POINT |
・用途に応じた取り付けが選べます。(簡単マグネット取付、両面テープ取付、しっかりネジ止め) ・盤の裏側に取り付けて音を出すので、音源の位置を特定しにくく、防犯用にも最適です。 ・鉄板、木、壁、全てがスピーカに早変わり。 ・搭載されているセラミックスピーカが、取り付け面を振動させて音を出します。取り付け面にスピーカ専用穴を設ける必要がなく、密閉された箱の中からでも外部に音を伝達することができます。 ・音色は断続ブザー音と連続警報音を本体天面のスイッチで切替えできます。 ・音量は0〜最大92dBまで本体天面のボリュームで調節できます。 |
|
|
| |


|

|

 |

 |
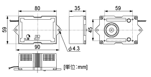
【外観寸法図・取付図・結線図(PDF)】 ST-41F_1.pdf 0.5 M |
|
 |
【取扱説明書】 ※掲載の取扱説明書は最新の内容です(2011年12月16日現在)。仕様変更等により、お手持ちの商品と記載内容が異なる場合がありますのでご了承ください。 ST-41F_2.pdf 0.8 M |
 |
 |
 |
【外観寸法図(DXF)】 ※右クリックでダウンロードしてください。 ST-41F_3.dxf 2.6 M |
 |
 |
 |
|
|
| |
|
|
| |
| 【仕様表】 |
| |
定格電源電圧 |
型式 |
使用電圧範囲 |
消費 電力 |
突入電流 |
音圧レベル |
電子音 |
製品 質量 |
標準価格 |
| マグネット |
DC12V DC24V |
ST-41F |
10〜27V |
6W |
2.6A(DC12V) 5.8A(DC24V) |
92dB (1m前方) (▲1) |
連続警報音 ●
断続ブザー音 (▲2)
再生数一音 (上記より一音選択)
(▲3) |
150g |
\9,800- |
| 両面テープ | ST-41FW | 120g |
|
| |
| IP |
使用温度範囲 |
使用湿度範囲 |
定格時間 |
材質・色調 |
引き出し線 |
| 長さ |
線種 |
| IP30 |
-10℃〜50℃ |
35%〜85% (結露なきこと) |
連続 |
ポリカーボネート樹脂(黒) |
300mm |
電源線 |
UL1007AWG22×2本 |
|
(▲1)音量は取り付け面の材質や板厚により変化します。表示値は連続警報音をボリューム最大で鉄板(700mm×700mm×1.6mm)に取り付けて吹鳴させた時の値です。また、記載の音圧は鉄板前面の前方1mでの最大音圧です。音色、電圧変動、取付状態により変化するため、表記の音圧より低くなる場合があります。
(▲2)音色は「●」印が標準セットされています。
(▲3)メロディー、およびアラーム音のご確認は、お客様センターまでお問い合わせください。 |
|
| |

|
| |