光源に、LED(発光ダイオード)を使用した、長寿命の表示灯・回転灯です。作動させると点灯します。NPNオープンコレクタ接続(シンク型)に対応しています。結線を端子台にて行うタイプです。グローブ色を表示の色から選べます。
スーパーLEDサインタワー
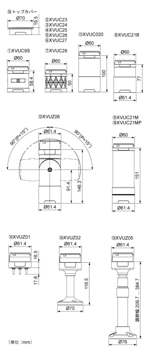
φ60 積層式LED表示灯 XVU型 組み立て完了済み製品
組み立て済みで迅速出荷可能な製品です
環境に優しいRoHS指令に対応した商品です。

直付けタイプ・ブザー無し
保護特性を表します。
XVU6 W
直付けタイプ・ブザー付き
保護特性を表します。 ブザー連続音・断続音の2音を吹鳴可能です。 吹鳴可能な音色の、最大音圧レベル(最大音量)を表します。
XVU6 SW
角度調節可能
直付けタイプ・ブザー無し
保護特性を表します。
XVU6 T
角度調節可能
直付けタイプ・ブザー付き
保護特性を表します。 ブザー連続音・断続音の2音を吹鳴可能です。 吹鳴可能な音色の、最大音圧レベル(最大音量)を表します。
XVU6 ST
円形取付台付
ポール(100mm)・ブザー無し
保護特性を表します。
XVU6 H
円形取付台付
ポール(100mm)・ブザー付き
保護特性を表します。 ブザー連続音・断続音の2音を吹鳴可能です。 吹鳴可能な音色の、最大音圧レベル(最大音量)を表します。
XVU6 SH
POINT
・1段(赤)、3段(赤/黄/緑)とユーザー様で一番多く採用される段数(配色)で絞り込んだシンプルなラインナップです。
・表示灯ユニットの色変更や段数変更、ブザーの追加も可能です。多色発光可能なマルチカラーユニットもあります。自作用ユニットを使用して組み立ててください。)
・超高輝度LEDの採用により、視認性を保ちながら長寿命で電力消費量も少なく省エネで、通常の使用状態であればほとんど、交換する必要のないメンテナンスフリー。
・音量は、外部音量調節ボリュームにて70〜85dBまで調節することができます。
・ブザータイプは、騒音下でも聞き取りやすい高音を採用し、4種類のブザー音から内蔵のディップスイッチにより1音選択でき、表示灯と別個に制御できます。
・保護特性IP65(直取付台タイプ・円形取付台付きポールタイプ)、IP55(角度調節可能直取付台タイプ)、IP42(ブザー付きタイプ)です。(正方向取り付け時)
・標準でNPN・PNPオープンコレクタ接続に対応しています。(AC/DC24Vタイプのみ。AC100−240VタイプはNPNオープンコレクタ接続に対応。(本機は端子台仕様ですので配線はご用意ください)
・環境に優しいRoHS指令に対応した商品です。
【製品群】
 



 
【取扱説明書】
掲載の取扱説明書は最新の内容です(2013年8月19日現在)。仕様変更等により、お手持ちの商品と記載内容が異なる場合がありますのでご了承ください。
また、使用するアプリケーションによっては正確な縮尺が得られない可能性がありますので、必ず定規などで寸法が正しいかどうか確認してからご使用ください。
XVU6 W_2.pdf
15.4 M
 
【詳細説明】  
XVUタイプ解説

BTO(Build To Order)について

 XVUタイプの積層式表示灯は、お客様の仕様に合わせて、標準型式以外の組み合わせでも、ご注文いただいてから弊社で組み立ててから出荷する「受注生産方式(BTO)に対応しています。
 また、受注生産対応した場合、結線用のリード線が付属します(1m以上)。詳しくは、弊社営業員までお問い合わせください。

XVUタイプ BTO対応時の型式の付け方。詳細は、弊社営業員まで。 (※1)最上段から順に並べてください。
(※2)円形取付台付アジャストポールは、AC/DCボディ(NPN/PNP)製品(XVUC21B)選定時のみ使用できます。
 
  
 
【仕様表】
  定格
電源
電圧
段数
配列
型式 消費
電力
信号線
接点容量
電子
ブザー音
音圧
レベル
製品
質量
参考
標準価格
(税抜)
備考
LED ブザー
φ60積層式表示灯 直付けタイプ ブザー無し AC/
DC
24V
1 XVU6B1RW 0.9W 電源
電圧
以上
60mA
以上
- - 0.237kg \8,800- RoHS
対応品
3 赤橙緑 XVU6B3ROGW 3.0W 0.365kg \15,500-
AC 100-240V 1 XVU6M1RW 2.0W DC24V
以上
60mA
以上
0.362kg \11,600-
3 赤橙緑 XVU6M3ROGW 6.5W 0.490kg \18,200-
ブザー付き AC/
DC
24V
1 XVU6B1RSW 2.6W 電源
電圧
以上
60mA
以上
電源
電圧
以上
100mA
以上
断続音

ビブラート標準

連続音

ビブラート標準

断続音

ビブラート速い

連続音

ビブラート速い

(音色切替
スイッチで
設定)
(▲3)
最大85dB
(1m前方)
(▲1)
0.314kg \12,400-
3 赤橙緑 XVU6B3ROGSW 4.7W 0.442kg \19,000-
AC 100-240V 1 XVU6M1RSW 3.5W DC24V
以上
60mA
以上
DC24V
以上
100mA
以上
0.439kg \15,100-
3 赤橙緑 XVU6M3ROGSW 8.0W 0.567kg \21,800-
角度調節可能
直付けタイプ
ブザー無し AC/
DC
24V
1 XVU6B1RT 0.9W 電源
電圧
以上
60mA
以上
- - 0.430kg \12,900-
3 赤橙緑 XVU6B3ROGT 3.0W 0.558kg \19,600-
AC 100-240V 1 XVU6M1RT 2.0W DC24V
以上
60mA
以上
0.555kg \15,600-
3 赤橙緑 XVU6M3ROGT 6.5W 0.683kg \22,400-
ブザー付き AC/DC 24V 1 XVU6B1RST 2.6W 電源
電圧
以上
60mA
以上
電源
電圧
以上
100mA
以上
断続音

ビブラート標準

連続音

ビブラート標準

断続音

ビブラート速い

連続音

ビブラート速い
(音色切替スイッチで設定)
(▲3)
最大85dB
(1m前方)
(▲1)
0.507kg \16,400-
3 赤橙緑 XVU6B3ROGST 4.7W 0.635kg \23,200-
AC 100-240V 1 XVU6M1RST 3.5W DC24V
以上
60mA
以上
DC24V
以上
100mA
以上
0.632kg \19,200-
円形取付台付
ポール(100
mm
ブザー無し AC/
DC
24V
1 XVU6B1RH 0.9W 電源
電圧
以上
60mA
以上
- - 0.306kg \9,800-
3 赤橙緑 XVU6B3ROGH 3.0W 0.434kg \16,500-
AC 100-240V 1 XVU6M1RH 2.0W DC24V
以上
60mA
以上
0.431kg \12,900-
3 赤橙緑 XVU6M3ROGH 6.5W 0.559kg \19,200-
ブザー付き AC/DC 24V 1 XVU6B1RSH 2.6W 電源
電圧
以上
60mA
以上
電源
電圧
以上
100mA
以上
断続音

ビブラート標準

連続音

ビブラート標準

断続音

ビブラート速い

連続音

ビブラート速い
(音色切替
スイッチで
設定)
(▲3)
最大85dB
(1m前方)
(▲1)
0.383kg \13,300-
3 赤橙緑 XVU6B3ROGSH 4.7W 0.511kg \19,800-
AC 100-240V 1 XVU6M1RSH 3.5W DC24V
以上
60mA
以上
DC24V
以上
100mA
以上
0.508kg \16,600-
3 赤橙緑 XVU6M3ROGSH 8.0W 0.636kg \22,700-
 
  光源 点滅
速度
IP
(▲2)
材質 コネクタ
直付けタイプ ブザー無し LED 点滅
しません
IP65 ポリカーボネート
樹脂
アロイ樹脂
引き出し線は付属していません。
使用可能線径
AC用電源線:Style1007 AWG18-16
信号線:Style1015AWG22-16
ブザー付き IP54
角度調節可能
直付けタイプ
ブザー無し IP55
ブザー付き IP54
円形取付台付
ポール(100mm)
ブザー無し IP65 アルミニウム
ポリカーボネート
樹脂
アロイ樹脂
ブザー付き IP54
 

(▲1)音圧レベルは外部調節つまみで簡単に調節できます。(70〜85dB)記載の音圧は本体前面の前方1mでの最大音圧です。音色、電圧変動、取り付け状態により変化するため、表記の音圧より低くなる場合があります。
(▲2)正方向取り付け時
(▲3)メロディー、およびアラーム音のご確認は、お客様センターまでお問い合わせください。